Онлайн с 2006 года – Проверенное качество
Более 100 000 товаров – Широкий ассортимент
Доставка с собственного склада – Быстрая отправка
Честные цены

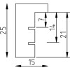
Эффектная деревянная рама профиль 35 черный 40х60 см обычное стекло

Эффектная фоторамка из массива дерева, глубокий профиль блока, структура дерева видна и ощутима
Цвет 
Тип стекла 
Формат кадра 

54,90 €
Вкл. НДС , плюс стоимость доставки
Часто искали и нашли
Часто покупают вместе