Онлайн с 2006 года – Проверенное качество
Более 100 000 товаров – Широкий ассортимент
Доставка с собственного склада – Быстрая отправка
Честные цены

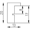
Фоторамка Effect деревянная неон-красная 20x20 см с музея стеклом

Неон-красный деревянный профиль 20x20 см, блочный дизайн с планками 1,3 см, музея стекло с защитой от УФ-излучения на 70%, идеально подходит для настенного монтажа, стильный акцент для современного интерьера
Цвет 
Тип Стекла 
Формат Рамки 

50,30 €
Вкл. НДС , плюс стоимость доставки