Онлайн с 2006 года – Проверенное качество
Более 100 000 товаров – Широкий ассортимент
Доставка с собственного склада – Быстрая отправка
Честные цены

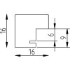
Фоторамка Effect деревянная профиль 51 антикзолото 7x10 см

Деревянный квадратный профиль с закругленными краями, фольга антикзолото, антирефлексное стекло, крепление для настенного и стендового монтажа, ширина борта 1,6 см
Цвет 
Тип Стекла 
Размер Рамы Картины 

22,20 €
Вкл. НДС , плюс стоимость доставки
Часто искали и нашли