Онлайн с 2006 года – Проверенное качество
Более 100 000 товаров – Широкий ассортимент
Доставка с собственного склада – Быстрая отправка
Честные цены

Фоторамка Effect из дерева Profil Top Pro красная 50x50 см с антирефлексным стеклом

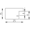
Фоторамка из массивного дерева, красного цвета, 50x50 см, антирефлексное стекло, минималистичный профиль 2,5 см, 6-кратное лакирование, крепление на стену, для гостиной, спальни, офиса
Цвет 
Тип стекла 
Размер 

70,60 €
Вкл. НДС , плюс стоимость доставки
Часто покупают вместе
Часто искали и нашли