Онлайн с 2006 года – Проверенное качество
Более 100 000 товаров – Широкий ассортимент
Доставка с собственного склада – Быстрая отправка
Честные цены

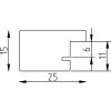
Фоторамка Effect из дерева профиль Top Pro синяя 25x30 см с Кlargласом

Рамка из массивного дерева, синяя, 25x30 см, профиль Top Pro, 6 слоев лака, Кlargлас, для стен, офис и жилые помещения, элегантный дизайн, устойчива к царапинам
Цвет 
Тип стекла 
Размер 

28,00 €
Вкл. НДС , плюс стоимость доставки
Часто искали и нашли
Часто покупают вместе